
The Stm8s103F3p6 Na microcontroller e entsoeng ka 8 e entsoe ka litlōtheno tsa stucroectroniki, tse tummeng ka ts'ebetso e khahlang le ho hokahana ha se na thuso.Sesebelisoa sena sa compact se na le sesebelisoa se nang le sebopeho se nkileng (SMD) se tsamaisang setaele se tsoetseng pele le litšoantšo tse entsoeng ka matla li sebelisa theknoloji ea ho khaola.Ka nako ea kotlo ea lilemo tse 16 MHZ, The SM8S103F3P3 e na le bokhoni ba ho ba tengMokhatlo oa eona o ikemetseng, o nang le mohloli o ikemetseng le sistimi ea koluoa, e tiisa ts'ebetso ea sesebelisoa se nepahetseng le ho iphetetsa ka pherekano e ka bang teng.
E 'ngoe ea likarolo tsa eona tsa stend ke mohopolo oa eona oa khanya, e fanang ka polokelo e sa fetoheng bakeng sa khoutu le data.Ka ts'ebetso ea voltage e sebetsang ho tloha ho 2,95 v ho 5.5 v, Microcontroler ena e tenyetsehe haholo ebile e ea feto-fetoha le maemo a fapaneng.Ho feta moo, e fana ka mocheso o pharalletseng oa -40 ° C ho fihlela 85 ° C, e etsa hore e be tokelo ea ho fallisetsa maemong a fapaneng a fapaneng.
• MSS430G2353
• pic16LolF1844t


Tšebeliso e tlase ea motlakase: E na le mefuta e fapaneng ea matla a tlase ea ho khetha, ho kenyelletsa le mode ea ho robala, e leng mokhoa o tebileng oa ho robala le ho boloka matla.
Ts'ebetso e phahameng: E abela Merm8 ea ts'ebetso ea ho sebetsa ka thata ea ho ba holimo le ho ntlafatsa matla a ho lipelaelo 'me o fana ka chelete e sebetsang haholoanyane ea likokoana-hloko.
Metsoako e mengata ea Puisano: E tšehetsa mefuta e fapaneng ea puisano ea puisano ea SPI (Serial Peripheral), i2c le Uart.Ka mefuta ena, e ka buisana habonolo le ho sebelisa lisebelisoa tsa kantle ho fihlela mesebetsi le likopo tse ngata.
Peripherals e ngata: The SM8S103F3P6 Microcontroler e na le lisebelisoa tse ngata tsa porotholike, le 1kb ea memori ea RAM, hammoho le li-hipio tsa RPIO, le Uart.Phapang ea lintho tsena e se nang pelipherals e etsa hore sesebelisoa se lokeloa ka sejoa se fapaneng sa kopo mme se ka fihlela litlhoko tsa masimo a fapaneng le indasteri e fapaneng.Hore na ke taolo ea indasteri, lehae le bohlale, kapa STYSTTERS, STM810103F3P6 e ka fana ka tšehetso.

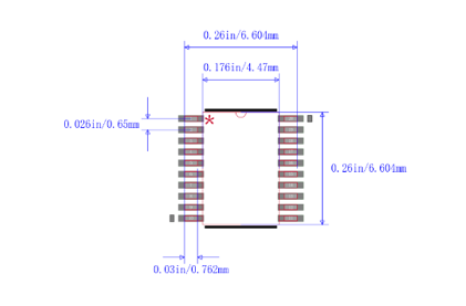
STM8S103F3P6 e kenngoa ka har'a sephutheloana se seng se senyenyane sa Exkk tse nyane (tssop) mme e na le likhaba tse 20.'Mele le ho lebisa Spaces ea ho lebela e nyane ho feta liphutheloana tsa maikutlo a tebileng.Karolo e tloaelehileng ea TSOP ke ho thehoa ha liponki tse potileng chip e kentsoeng, e etsang hore e tšoanele e le monate oa ho eketseha ha li-PCB.Ha u sebelisa sephutheloana sa TSPO, lipata-pele tsa Volpitic (pherekano ea Voltage ea BohlokoaMofuta ona oa sephutheloana ho bonolo ho sebelisa 'me o na le matla a phahameng.
Pakete ea TSOP e na le likarolo tse latelang:
• Tekanyo e nyane ea pente: Sebaka sa pines ka kakaretso ke 0.5mm kapa 0.65mm.Ka moralo oa mekotla ea koporo ea Boto ea Boto ea Boto, lisebelisoa tse eketsehileng li ka beoa boto ea potoloho e nang le sebaka se tšoanang le boholo.
• Ho ka sebelisoa boholo ba ts'ebeliso: se ka sebelisoa masimong a mekhoa e mengata ea likopo tse kang Microcontrollers, DSSS, li-chips tsa methapo, li-chips tsa ho fana.
• Palo e phahameng ea PIN: Palo ea Lipina hangata e pota-pota 20 ho isa ho ea 64, e ka fihlellang litlhoko tse itseng tsa ho kopanya li-chip tsa chip.
• Boholo ba sephutheloana: Ha ho bapisoa le lipakete tse nyane tse tloaelehileng (tse ling) tse nyane, boholo li nyane, li etsa hore ho be le thepa e kopaneng ea potoloho e kopaneng.
• Ts'ebetso e phahameng: E Aipts Power Thatnology Thapelo, e na le ts'ebeliso e ntle, 'me e ka fihlela lebelo le phahameng, ho hola le joalo le ka ho.
Ntle le ha ho boletsoe ka ho seng joalo, lithaelese tsohle li bitsoa VSS.
Melao ea bonyane le e phahameng e tiisitsoe tlasa maemo a mabe, e akaretsang mocheso o mongata, phepelo ea motlakase le maqhubu.Litšobotsi tsena li thehiloe ka liteko tse thata tse entsoeng ka 100% ea lisebelisoa, tse tsamaisoang ka mocheso oa Ta = 25 ° C le Ta = tamax (joalo ka ha ho hlalositsoe ke mocheso o khethiloeng).
Melao ea boitšoaro e ipapisitse le liphetho tsa ho tsebahala, lipehelo tsa sebopeho le / kapa tšobotsi ea theknoloji e hlalositsoe tafoleng e ka bang ka holimo ho tlhahlobo ea motlakase.Mabapi le sebopeho, boleng bo tlase le bo boholo bo lumellanang le litekanyetso tsa mohlala le ho supa boleng bo tlase ba ho kheloha kapa ho hlonepha ka makhetlo a mararo.
Ntle le haeba lintlha tse tloaelehileng li thehiloe ka ta = 25 ° C, VDD = 5 V. Lits'ebetso tsena li fanoe feela joalo ka tlhahlobo.
Ho nepahala ho tloaelehileng ha litekanyetso tsa ADC ho thehiloe ka sebopeho sa setopo ho tloha sethaleng se tloaelehileng ho feta mocheso o felletseng.Boemong bona, 95% ea lisebelisoa e bontša phoso e ka har'a boleng bo boletsoeng (Bolela ± 2σ).
Ntle leha e bonts'itsoeng ka kotloloho, liphik tse tloaelehileng li reretsoe feela e le litšupiso tsa moralo 'me ha lia ka tsa hlahlojoa.
Ho feta litekanyetso tse boletsoeng ka ho fetisisa tse ka bakang tšenyo ea sesebelisoa.Litekanyetso tsena li bonts'a feela meeli ea khatello ea maikutlo eo sesebelisoa se ka se mamellang, 'me ha se hane sesebelisoa se tla sebetsa hantle tlas'a maemo ana.Ho pepesetsoa maemo a maemo a tlase kapa haufi le litekanyetso tse phahameng li ka ama tsela eo sesebelisoa sa sesebelisoa.
Boemo ba Misilomo ea sesebelisoa, e hlalosang maemo a eona a kopo, e le maemong a ho batla Jedec Jes47, ka liphatlalatso tsa thomo tse atolositsoeng tse fumanehang ka kopo.
Ho fihlela botsitso ho ralimo ea mantlha, motaki oa kantle a ne a ngoloa ka makhethe ho lokela ho hokahanngoa le pini ea VCAP.Ho bohlokoa ho netefatsa hore boitlamo ba ho etsa lintho tse ngata tse sa feleng bo lula ka tlase ho 15 nh.
Tšebeliso ea hona joale e lekantsoe joalo ka ha ho bontšitsoe setšoantšong se latelang.

Phepelo ea phepelo ea hona joale e le maemong a matha
McU e behiloe tlasa maemo a latelang:
• Li-pericpherals tsohle li holofetse (COACK e emisitsoeng ke li-Clocheral Clock li-clochery li-gipulay ntle le haeba li boletsoe hantle.
• Sohle
Ho latela maemo a tloaelehileng a ho sebetsa bakeng sa VDD le Ta.

Stm8s103F3P6 e na le likhaba tse 20, mabitso a eona a khang le mesebetsi ke mesebetsi e tjena:
Pin1 (PD4 / Beep / Tim2_ CH12_ CH13 _ _ck): Port D4
Pini2 (PD5 / Ain5 / Uart1 _TX): Port D5
Pini3 (PD6 / Ain6 / Uart1 _rx): Port D6
PIN4 (NTR): Reset
Pini ea PIN5 (Pa1 / OSCIN): Port A1
Pin6 (Pa2 / OSCout): Port A2
Pini ea VS7 (VS): GAGIT GIGE
Pin8 (vcap): 1.8 v Regulator Capitor
Pini ea Pini (VDD): Phepelo ea motlakase ea dijithale
Pic10 (Pa3 / Tim2_ CH3 [Spi_ NSS]: Port A3
Picor12 (PB5 / I2C_ SDA [TIM1_ BINK]): Port B5
PIN12 (PB4 / I2C_ SCL): Port B4
Pin13 (PC3 / Tim1_ch3 [Tli] [TIM1_ CH1n]): Port C3
PIN14 (PC4 / CLK_CCO / TIM1_ CH4 / Ain2 / [Tim1_ CH2n]): Port C4
Pin15 (PC5 / SPI_SK [TIM2_ CH1)): Port C5
Pin16 (PC6 / Spi Minomosi [TIM1_ CH1]: Port C6
Pin17 (PC7 / Spi_mimomi [Tim1_ CH2]: Port C7
Pin18 (PD1 / SWE): Port D1
Pin19 (PD2 / Ain3 / [Tim3_ CH2): POR D2
Pinor.com (PD3 / Ain4 / Tim2_ Ch2 / ADC_ Etr): Port D3
Joalokaha ho bontšitsoe setšoantšong se kaholimo, the STM8S103F3P6 ChipE sebelisoa joalo ka ha ho na le liponche tsa ho kenya ho bala lipontšo tsa kantle kapa e le liketsahalo tsa ho romella lipontšo ho lisebelisoa tsa kantle.Ntle le moo, e mong le e mong I / PIN e ka ba ea abeloa vector ea ho kena-kenana le ho tsamaisa ts'ebetso e nepahetseng ea ho kenella ha li etsahala.
• Automation Systems: This microcontroller can be used in automation systems such as electric curtains, access control systems, temperature control and lighting control.
• IOT (Internet of Lintho
• Lisebelisoa tsa elektroniki tsa elektroniki: e sebelisoang lik'hamera tsa dijithale, mp3 le MP4 libapali, lithuso tsa elektroniki, jj.
• Lisebelisoa tsa elektroniki: sebelisoa ho nts'etsapele lisebelisoa tse fapaneng tsa elektroniki
, joalo ka ho bapala tsa elektroniki, taolo ea hole, likhakanyo tsa mini, jj.
• Setereke sa indasteri: se sebelisitsoeng ho PLC, mokhanni oa indasteri, projeke ea boitlamo, e jj.
• Ho fumana data hape le sebopeho se sa bonahaleng: O tloaetse ho lekola maemo a tikoloho le ho bokella data kapa hokela li-sensor tsa bone, sensors tsa mocheso le mongobo.
• Tsamaiso ea taolo ea Tsamaiso: e ne e rala mekhoa e fapaneng ea taolo, e kang lisebelisoa tsa taolo ea matlo, tse nang le matla a motlakase a 8 li lekane mesebetsing e mengata e bonolo ea taolo.
STM8S103F3P6 ke chisi ea microcontroller e ntlafalitsoeng ke sethethefatsi.Ke ea lelapa la STM8 la Microcontrollers 'me e sebelisoa haholo ka litsamaiso tse fapaneng tsa litsamaiso le lithibelo tsa IOT.
Stm8s103F3P6 Microcontroller yuniti e na le 640 bit ROM, 10-low 5 adc, 1kb ram le ka boholo ba mohopolo oa lenaneo la 8kb.
Re ka nka sebaka sa SM8S103F3P6 le MSS430G2353, Pic16G183F3P3
E, STM8S103F3P6 e etselitsoe ka litšobotsi tse fokolang 'me e ka sebelisoa likopo tse tsamaeang ka betri tse tsamaeang ka betri kapa tse tlase moo katleho ea matla e sebetsang teng e bohlokoa.
Litšobotsi tse ling tsa bohlokoa tsa sm8s103F3P3
MABAPI LE RONA
Khotsofalo ea bareki nako le nako.Lithahasello tsa ka bobeli le lithahasello tse tloaelehileng.
Litlhaloso tsa mahlale tsa Lithium Coin Cle Cr2354
2024-08-02
Tataiso e phethahetseng ho Atmega328-Pu Microcontroller
2024-08-02
T491B685K010ZTPB01Email: Info@ariat-tech.comHK TEL: +852 30501966ADD: Rm 2703 27F Ho King Comm Center 2-16,
Fa Yuen St MongKok Kowloon, Hong Kong.